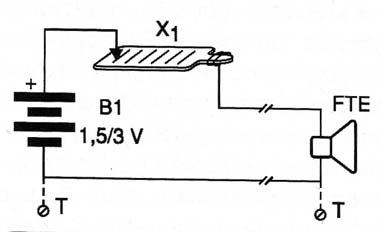
Un altavoz viejo, una o dos baterías (incluso bajas), una lima y es todo lo que el lector necesita para montar un sistema de comunicaciones telegráfico. Cada alambre afeitado en la lima X1, hace las veces del controlador, y el altavoz emite un pitido. El pitido largo va ser una raya y un pitido corto un punto.
Combinando puntos y rayas de acuerdo al código Morse, podemos enviar mensajes a distancias de hasta 100 metros. Puedes buscar información en este sitio sobre el Código Morse.
El sistema básico tiene dos cables, pero puede economizar el cable si los puntos T son conectado a la tierra, es decir, dos barras de metal enterrados en suelo húmedo. En este caso, se hará la señal de "retorno" de la tierra, que es conductora.
Esto ahorra cables, porque necesitamos solamente un conductor para enlazar las estaciones. En la Figura 1 tenemos el diagrama completo del dispositivo.

En la Figura 2 tenemos el aspecto real del montaje.

B1 puede estar formada por una o dos células pequeñas, medianas o grandes.
El altavoz puede ser de cualquier tipo y tamaño.
El cable puede ser de cualquier espesor siempre y cuando aislado para evitar cualquier pérdida. la lima plana es de cualquier tipo o tamaño.
Para usarlo, simplemente frote la punta de la X1 de alambre. Tiene que haber una salida de sonido por el altavoz. No deje que el cable apoyándose en X1 cuando el aparato no está en uso o sin transmitir, ya que esto hará que el rápido agotamiento de las baterías.



