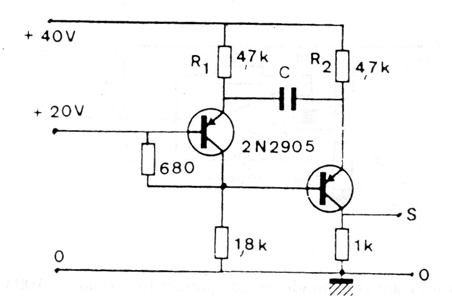
Esta configuración distinta de asimétrica utiliza transistores acoplados por el emisor. La tensión es elevada y los transistores aceptan equivalentes. La frecuencia depende del capacitor C siendo aproximadamente T = 0,69 RC el período.
Un solo integrado es la base de este mezclador de 3 entradas, ideal para micrófonos, pero que...
Con el circuito presentado en la figura 1 señales moduladas en frecuencias hasta 40 kHz pueden ser...
Con este circuito es posible controlar una pequeña lámpara incandescente a partir de un foco de...