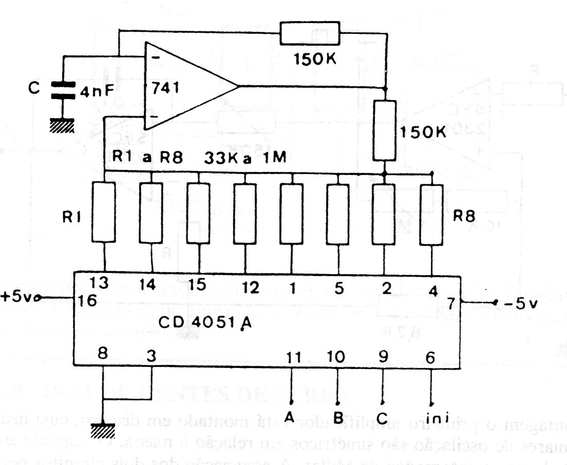
Este oscilador puede ser controlado por señales digitales o binarios de otro circuito digital o de un microcontrolador, funcionando como un escudo. La frecuencia del oscilador depende de C y de los resistores que se programan por las salidas digitales. La alimentación debe ser hecha por fuente simétrica de 5 V. La señal producida es rectangular.




