Dependiendo del transistor utilizado, esta fuente puede suministrar de 50 mA a 100 mA de corriente bajo tensión de 3 o 6 V, lo que sirve para alimentar pequeños aparatos electrónicos, tales como radios de pilas, calculadoras, etc. La excelente filtración impide que ocurran roncos en los radios y otros pequeños aparatos de sonido.
En este montaje usted puede utilizar transistores PNP de chatarra, obteniendo con ellos una excelente regulación de la tensión de salida de su fuente. Para tipos de pequeña potencia, como el 2SB175, OC74, 2SB54, la corriente máxima indicada es de 50 mA, pero para transistores mayores, como el AC128 o AC188, puede requerir hasta 100 mA sin problemas.
Y claro que los transistores modernos, como el BC557 o BC558, se pueden utilizar en esta fuente que puede llegar a los 500 mA con el BD136, siempre y cuando sea montado en radiador de calor.
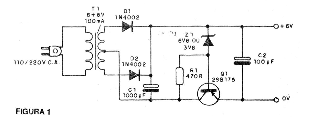
El diodo zener determina la tensión de salida. Para un zener de 400 mW x 3V6 tendremos una tensión de salida de 3V y para un zener de 400 mW x 6V6 tendremos una tensión de salida de 6V. En ambos casos, el transformador tiene devanado secundario de 6 + 6 V con 50 mA o 100 mA de corriente.
Como esta corriente y baja, el transformador tiene reducidas dimensiones, pudiendo, junto con los demás componentes, ser instalado en una caja plástica de eliminador de pilas.
El primario del transformador se elegirá de acuerdo con la tensión de la red, es decir, 110 o 220 V.
MONTAJE
En la figura 1 damos el circuito completo del micro fuente y en la figura 2 el aspecto de su montaje en puente de terminales. Observe que el transistor tiene su colector identificado por una marca o pinta.
El capacitor de filtro puede ser de 1 000 a 1 500 uF con una tensión de aislamiento de 16 V o más.
Los diodos rectificadores pueden ser los 1N4002 o equivalentes de mayor tensión, como el 1N4004, BY127 etc.
Observe la polaridad del diodo zener de 400 mW que se elegirá en función de la tensión de salida. El electrolítico de salida (C2) tiene una tensión de trabajo de 6 V o más.
El resistor es de 1/8 a ½ W con cualquier tolerancia.
Es importante observar la polaridad de los hilos de salida, pues los aparatos alimentados no admiten inversiones.
PRUEBA Y USO
Para probar, basta con conectar la unidad a la toma y con ayuda de un multímetro medir la tensión de salida, que debe estar de acuerdo con el valor previsto, es decir, 3 o 6 V.
Verificado el funcionamiento, es sólo conectar con un enchufe apropiado al aparato a ser alimentado. Tenga el máximo cuidado en el aparato que va a ser alimentado, en lo que se refiere a la corriente que la fuente es capaz de proporcionar.
LISTA DE MATERIAL
Q1 - cualquier transistor PNP de uso general (2SB54, 2SB75, AC188, etc.)
D1, D2 - 1N4002 o equivalente - diodos
Z1 - zener de 3V6 o 6V6 x 400 mW
T1 - transformador con primario de acuerdo con la red local y secundaria de 6 + 6 V x 100 mA
C1 - 1 000, uF x 16 V - capacitor electrolítico
C2 - 100, uF x 6 V - capacitor electrolítico
R1 - 470 ohms - resistor (amarillo, violeta, marrón)
Varios: cable de alimentación, puente de terminales, caja para montaje, hilos, soldadura, etc.





