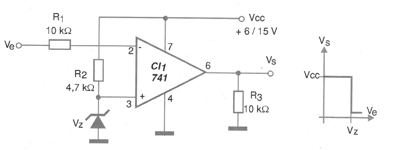
Un comparador de tensión de precisión, usando diodo zener como referencia puede ser implementado con un amplificador operacional de uso general como el 741. El circuito de la figura 1 muestra cómo se puede hacer. Por supuesto, otros amplificadores operativos equivalentes pueden utilizarse. En este circuito la salida se mantiene en el nivel alto hasta el momento en que la tensión de entrada alcanza el valor de referencia dado por el diodo zener.

   El diodo zener puede ser de cualquier tipo de 400 mW y la fuente de alimentación no necesita ser simétrica. Este circuito puede ser utilizado en sistemas de seguridad, detección de alimentación de sensores y en muchas otras aplicaciones de consumo y en la industria.

 


| Clique na imagem para ampliar |

 

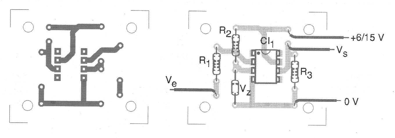
   La placa de circuito impreso para el caso en que se utiliza un amplificador operacional 741 común se muestra en la figura 2.

 


| Clique na imagem para ampliar |

 

 

 

Lista de material

 

CI-1 - 741 - circuito integrado, amplificador operacional

VZ - Zener de 1,2 a 12 V x 400 mW

R1, R3 - 10 k ohms x 1/8 W - resistores

R2 - 4,7 k ohms x 1/8 W - resistor

Varios:

Placa de circuito impreso, hilos, soldadura, etc.