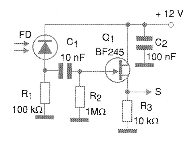
El circuito de la figura 1 puede ser utilizado como receptor para el bloque anterior. Su sensor es un foto-diodo o foto-transistor de cualquier tipo.

 


| Clique na imagem para ampliar |

 

   

El transistor de efecto de campo de unión puede ser de cualquier tipo. Este circuito puede trabajar con señales moduladas hasta algunos cientos de quilohertz.

   Los recursos ópticos se deben utilizar para concentrar la radiación en la foto-sensor y así obtener mayor alcance para el enlace.

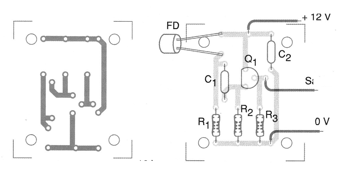
   Una placa de circuito impreso para el montaje se muestra en la figura 2.

 


| Clique na imagem para ampliar |

 

 

 

LISTA DE MATERIAL

 

Q1 - BF245 o equivalente - FET de unión (JFET)

FD - Foto-diodo o foto-transistor

R1 - 100 k ohms x 1/8 W - resistor

R2 - 1 M ohms x 1/8 W - resistor

R3 - 10 k ohms x 1/8 W - resistor

C1 - 10 nF - capacitor de cerámica o poliéster

C2 - 100 nF - capacitor de cerámica o poliéster

Varios:

Placa de circuito impreso, hilos, soldadura, etc.