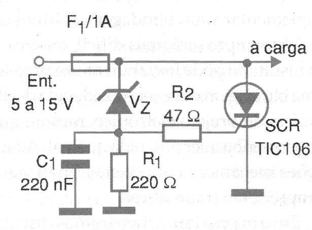
El circuito mostrado en la figura 1 es una protección del tipo "Crow Bar" en la que el disparo ultra rápido de un SCR cuando la tensión de referencia Vz es superada causa la apertura del fusible. Esta acción rápida de interrupción del circuito puede ser importante en los casos en que tenemos un aumento lento de la corriente en caso de problemas, lo que puede llevar a los componentes más frágiles la quema. Vz es un zener de 400 mW o más y el SCR TIC106 no necesita radiador de calor ya que el tiempo de conducción de este componente es muy pequeño.

    El capacitor C1 evita el disparo del circuito con transitorios. La idea vale para corrientes por encima de 1 A, en cuyo caso se deben utilizar SCR de mayor corriente.

 


 

 

   En la figura 2 tenemos la sugerencia de placa de circuito impreso en la cual puede ser implementada esta simple solución práctica.

 


| Clique na imagem para ampliar |

 

 

 

Lista de material

 

SCR - TIC106 o equivalente - diodo controlado de silicio

VZ - Diodo zener de 1,9 a 12 V x 400 mW

R1 - 220 ohms x 1/8 W - resistor

R2 - 47 ohms x 1/8 W - resistor

C1 - 220 nF - capacitor de poliéster o cerámico

F1 - Fusible de 1 A

Varios:

Placa de circuito impreso, soporte para fusible, hilos, soldadura, etc.