Describimos un simple temporizador o temporizador que puede encender o apagar un aparato eléctrico o electrónico después de hasta 10 minutos. Con la utilización de condensadores de buena calidad y un potenciómetro de 1M podemos llegar a intervalos de hasta 1 hora.
El circuito es bastante simple de usar, operar y montar. El aparato controlado tiene su alimentación pasando a través del relé del temporizador.
Cuando presionamos el interruptor del temporizador se activa, encendiendo o apagando el aparato controlado.
Una vez transcurrido el tiempo, el temporizador apagará automáticamente su propia alimentación desactivando el relé.
Con la desactivación del relé, dependiendo de la función usada (NA o NF), el aparato externo controlado se encender o apagar, según la situación inicial.
Para reactivar el circuito, simplemente presione de nuevo el interruptor S1.
Todos los componentes usados son comunes y podemos controlar tanto aparatos conectados a la red de 110 V o 220 V CA, con corriente de hasta 2A, como aparatos alimentados por baja tensión continua (pilas o batería) con corriente máxima también de 2 A.
MONTAJE
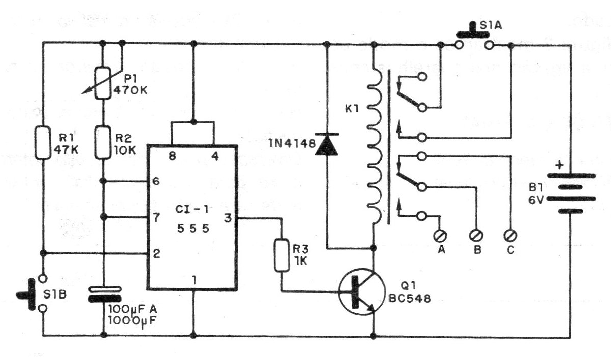
En la figura 1 tenemos el diagrama completo del temporizador.
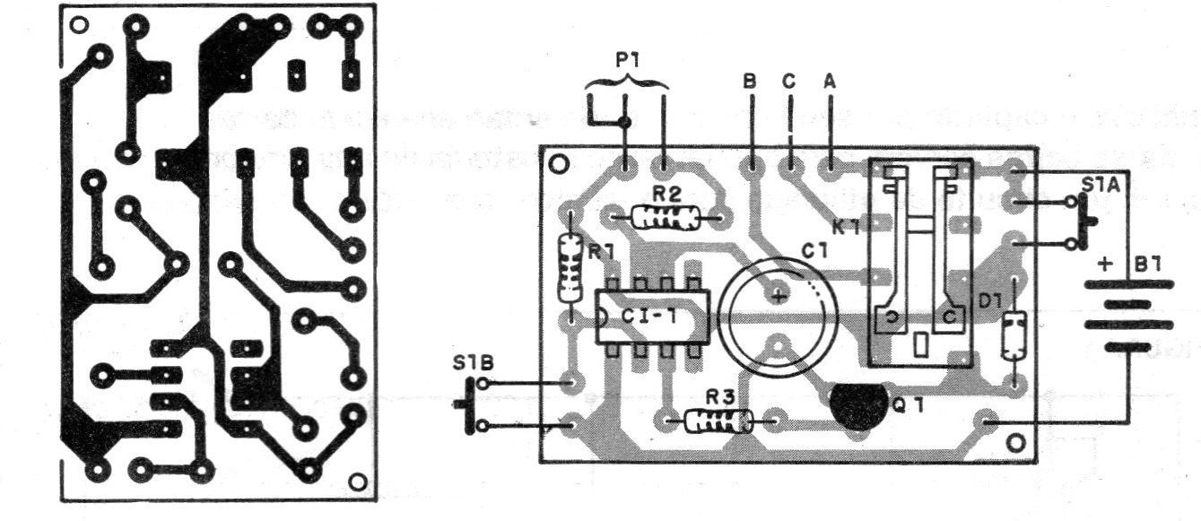
En la figura 2 tenemos la placa de circuito impreso.
Observe que el relé utilizado es del tipo micro-relé, que encaja directamente en la placa.
La separación entre los terminales de conexión al confeccionarse la placa debe ser hecha con cuidado para que el componente pueda ser encajado y soldado sin problemas. Si prefiere utilizar un zócalo de integrados DIL de 14 pines.
La fórmula que permite calcular el tiempo máximo obtenido en función de los componentes elegidos es la siguiente:
T = 1,1 x R x C
Dónde:
T es el tiempo obtenido en segundos;
R es la resistencia correspondiente a la suma de P1 con R2. Ver que P1 no puede ser mayor que 1M y el valor se da en ohms;
C es la capacitancia de C1 que debe ser como máximo de 2 200 uF y expresada en farads (1 Farad = 1 000 000 uF).
Para P1 podemos usar tanto trimpot como potenciómetro, si el control deba ser externo.
El interruptor S1 es un tipo de presión doble. Se puede utilizar una llave conmutadora de presión (conmutadora de pista para auto-radio) a falta del tipo original.
Un elemento opcional de este circuito sería un LED en paralelo con la alimentación después de S1 que se encender cuando el temporizador está activado. Este LED se debe conectar en serie con una resistencia de 820 ohmios o 680 ohms.
Para la conexión del aparato externo se recomienda el uso de un puente de terminales con tornillos.
PRUEBA Y USO
Para probar, basta colocar las pilas en el soporte e inicialmente ajustar P1 para el menor tiempo, o sea, en la posición de menor resistencia.
Presionando S1 se debe oír que el relé se bloquea cerrando sus contactos, y si hay LED monitor debe encenderse.
Después de unos segundos, el relé debe desactivarse y el LED se apagará.
Coloque el potenciómetro P1 como máximo y compruebe el tiempo que tarda en desbloquear el relé.
Si desea, con la ayuda de un cronómetro (o reloj), haga una escala junto a P1 (si es potenciómetro) para determinar los tiempos de actuación del aparato.
Si en los tiempos mayores el aparato se niega a desbloquear, es señal que el condensador presenta fugas (C1) debiendo ser cambiado.
En la figura 3 mostramos el modo de conectar los aparatos controlados.
LISTA DE MATERIAL
CI-1 - circuito integrado 555
Q1 - 80548 o equivalente - transistores de uso general
D1 - 1N4148 o 1N914 - diodo de uso general
S1 - interruptor de doble presión
B1 - 6 V - 4 pilas pequeñas
K1 - Relé de 5 o 6 V sensible
P1 - 470 k a 1M - trimpot o potenciómetro
R1 - 47 k - resistor (amarillo, violeta, naranja)
R2 - 10 k - resistor (marrón, negro, naranja)
R3 - 1 k - resistor (marrón, negro, rojo)
Varios: placa de circuito impreso, caja para montaje, hilos, soldadura, soporte para 4 pilas pequeñas, etc.






