Presentamos un amplificador realmente bueno que proporciona una potencia de 5 W RMS (o 7 W de pico!) En un altavoz de 8 W. El circuito utiliza sólo componentes discretos (transistores) y con ello es sencillo de montar, consistente en una excelente sugerencia para cursos técnicos y de iniciación a la tecnología electrónica.
La configuración en simetría complementaria de este amplificador permite obtener una excelente calidad de audio, principalmente si el altavoz utilizado es del tipo pesado, de buena calidad, montado en un pequeño altavoz. Al montar dos amplificadores iguales usted tendrá un sistema de sonido estéreo con potencia similar a la mayoría de los sistemas de 3 en 1 que existen en el mercado.
En la figura 1, tenemos el diagrama completo del amplificador.

Como se trata de montaje de muchos componentes y sujeta a la captación de zumbidos, la disposición de los componentes en una placa de circuito impreso es importante.
En la figura 2 tenemos el montaje en placa.
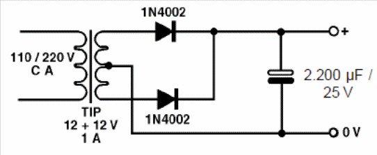
Los radiadores de los transistores consisten en chapas de metal que se atornillan en el cuerpo del componente. Los radiadores de este tipo se pueden adquirir en casas especializadas. Para este amplificador será necesario utilizar una fuente de alimentación cuyo diagrama también se puede ver en la figura 3.

El transformador debe ser secundario de al menos 1 A con tensión de 12 V y los diodos son 1N4002. El electrolítico debe ser de 220 μF para mejor filtrado, con tensión de trabajo de 25 V.
En la práctica
Si la tarjeta de sonido de su sistema multimedia requiere un amplificador externo (caja amplificada), puede utilizar dos amplificadores como éste (uno para cada canal) para este propósito. Vea que será importante que los altavoces usados sean de buena calidad y se instalen en un pequeño altavoz.
Una idea sería aprovechar aquel sonido multimedia de su computadora que ya no funciona, retirar el amplificador original y conectarlo al altavoz.
En realidad, incluso puede utilizar la salida de sonido de su computadora para excitar este circuito, obteniendo así una buena calidad de sonido. Otra aplicación es como reforzador de sonido para su pequeño reproductor de CD o MP3. Su calidad de sonido será muy buena.
Usted también puede utilizarlo como amplificador de uso general para su banco de electrónica.
LISTA DE MATERIAL
Q1 - BC548 - transistores NPN de uso general
Q2 - BC558 - transistores PNP de uso general
Q3 - TIP31 - transistores NPN de potencia
Q4 - TIP32 - transistores PNP de potencia
FTE - Altavoz de 8 W
D1 - BA315 o 1N4148 - diodo de uso general de silicio
C1 - 100 μF x 25 V - capacitor electrolítico
C2 y C3 - 100 nF - capacitor de cerámica o poliéster
C4 - 100 pF - capacitor de cerámica
C5 - 47 μF x 25 V - capacitor electrolítico
C6 - 1 000 μF x 25 V - capacitor electrolítico
R1 - 680 kW x 1/8 W - resistor (azul, gris, amarillo)
R2 - 820 kW x 1/8 W - resistor (gris, rojo, amarillo)
R3 - 10 kW x 1/8 W - resistor (marrón, negro, naranja)
R4 - 180 W x 1/8 W - resistor (marrón, gris, marrón)
R5 - 3,9 kW x 1/8 W - resistor (naranja, naranja, rojo)
R6 - 18 W x 1/8 W - resistor (marrón, gris, negro)
R7 y R8 - 0,47 x 1/2 W - resistor (amarillo, violeta, dorado)
Varios: placa de circuito impreso, radiador de calor para los transistores, caja para montaje, hilos, soldadura.




