Describimos el montaje de un transmisor didáctico sin bobinas en una matriz de contactos de 170 puntos utilizando el 4093. Con él podemos aprender cómo funciona un oscilador de alta frecuencia produce señales de radio o ondas electromagnéticas que pueden ser captadas por una radio común AM.
Oscilando en una frecuencia de algunas decenas de quilohertz, el 4093 produce una señal con forma de onda rectangular, es decir, una señal que varía muy rápidamente del nivel alto al bajo.
Esto hace que esta señal, además de la frecuencia original, denominada fundamental, también produzca señales de frecuencias múltiples, denominadas armónicas.
Estas frecuencias que corresponden al doble, triple, cuádruple, etc. de la frecuencia fundamental alcanzan el rango de ondas medias usadas en radio.
Así, si aplicamos la señal de este oscilador en una pequeña antena, irradia estas señales en forma de ondas electromagnéticas y se pueden captar en un radón común fuera de la estación.
El transmisor es muy débil y no tiene frecuencia fija, así que alcance no pasa de unas decenas de centímetros.
Montaje
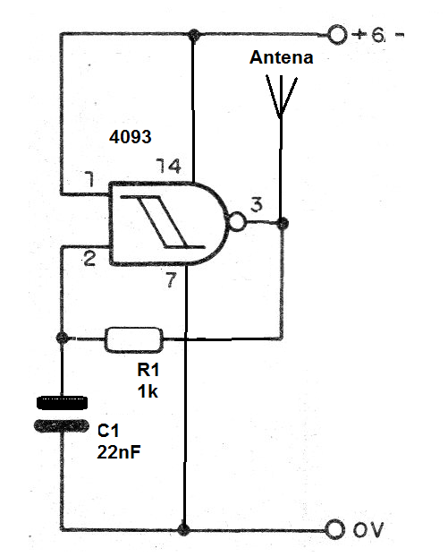
En la figura 1 tenemos el diagrama completo de este micro-transmisor experimental con el 4093.

El aspecto del montaje en el puente de terminales de 170 puntos se muestra en la figura 2.
Al realizar el montaje, es importante observar la posición del circuito integrado y al encajarlo, hacerlo con mucho cuidado para que todos los pines queden alineados con los agujeros.
Cuando presionamos el circuito integrado todos los pines deben encajar sin esfuerzo.
La antena consiste en un pedazo de hilo de unos 15 a 25 cm de longitud.
Verificación del funcionamiento
Tome un radito transistorizado que tenga la banda de ondas medias (AM) y sintonice en un punto en que no haya ninguna estación transmitida.
Usted apenas oirá un chido de fondo que corresponda a los ruidos atmosféricos y del propio circuito de la radio.
Aproximando el radito de la antena del transmisor usted deberá captar su señal en la forma de un silbato.
Lista de material
CI-1 - 4093 - circuito integrado
R2 - 1 k ohms - resistor - marrón, negro, rojo
C1 - 22 nF - capacitor de poliéster
B1 - 6 V - 4 pilas
Varios:
Matriz de contactos, soporte de pilas, hilos, etc.




