Experimentos en clases de física o demostraciones en ferias de ciencias usando capacitores cargados son interesantes. Un electrolítico de alta tensión da bellos chasquidos en la descarga o aún se enciende por un buen tiempo una lámpara de neón en serie con una resistencia de 1 M ohms.
Su descarga también se puede observar en un multímetro en serie con un resistor de 10k a 100k. Y, con capacitores de poliéster de 100 nF a 470 nF se pueden dar algunos choques en los curiosos o alumnos para demostrar la descarga del capacitor.
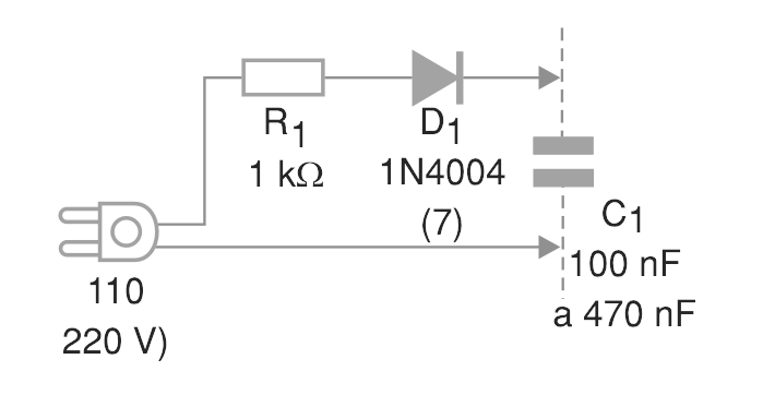
El circuito presentado debe manejarse con precaución, ya que no está aislado de la red de energía. Sólo el profesor debe hacer la carga del capacitor. Los golpes accidentales en las partes expuestas causan fuertes choques. Para la red de 220 V utilice un diodo 1N4007.
Capacitores electrolíticos de 2 uF a 16 uF con tensiones de trabajo de al menos 200 V si la red es de 110 V y 400 V si la red es de 220 V pueden ser usados en los experimentos.
En la figura 1 tenemos el diagrama del cargador de capacitores.
En la figura 2 tenemos la disposición de los componentes en un puente de terminales. Instale el conjunto en una caja plástica para mayor seguridad.
Lista de material
D1 - 1N4004 (110 V) o 1N4007 (220 V) - diodo de silicio
R1 - 1 k ohms x 5 W - resistor de hilo
C1- Capacitor de 100 nF a 470 nF- para pequeñas cargas o electrolíticos mayores, con mucho cuidado.





