Este circuito ultra-simple puede ser montado en una cajita del tamaño de paquete de cigarrillos o poco mayor e instalado en diversos lugares. En su cuarto, por ejemplo, con el sensor conectado en la cerradura usted sabrá cuando alguien toca en ella por el encendido de un LED. El circuito es muy sensible sirviendo para monitorear el toque en objetos remotos.
En la condición de espera, con el LED apagado, el consumo del aparato es muy bajo, lo que le permite permanecer permanentemente encendido, sin afectar la durabilidad de las pilas.
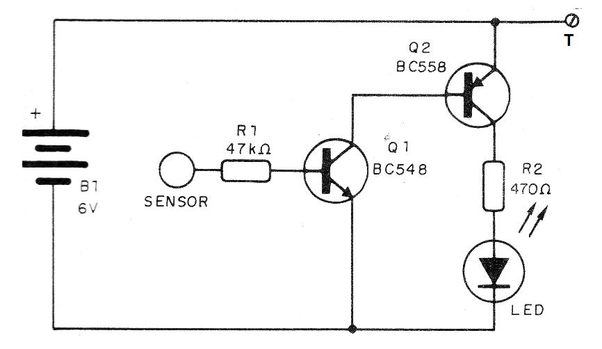
La alimentación se puede realizar tanto por 4 pilas comunes como una batería de 9 V, para un montaje más contacto. Para el caso de la batería, la resistencia R2 debe incrementarse a 1k para reducir el consumo. En la figura 1 tenemos el diagrama completo de la alarma.
La soldadura de los principales componentes puede ser hecha en un pequeño puente de terminales, como muestra la figura 2.
El cable para el sensor debe tener un máximo de 5 metros de longitud y ser del tipo encapado. En su extremo podemos conectar una garra jacaré para facilitar la conexión a los objetos protegidos, que deben ser de metal. También podemos utilizar un sensor, una placa metálica de 10 x 10 cm a 20 x 20 cm.
El cable de tierra debe utilizarse si se observa la necesidad de una mayor sensibilidad. Se puede conectar en cualquier objeto metálico o en la escuadra de puertas y ventanas de aluminio.
Si al conectar el aparato ya disparado es señal que el objeto protegido está haciendo contacto con la tierra. Debe ser aislado.
Lista de material
Q1 - BC548 - transistores NPN de uso general
Q2 - BC558 - transistores PNP de uso general
LED - LED común de cualquier color
B1- 6 o 9 V- pila o batería
R1 - 47k ohms x 1/8 W - resistor - amarillo, violeta, naranja
R2 - 470 ohms x 1/8 W - resistor - amarillo, violeta, marrón
Varios: sensor, puente de terminales, soporte de pilas o conector de batería, hilos, soldadura, etc.





