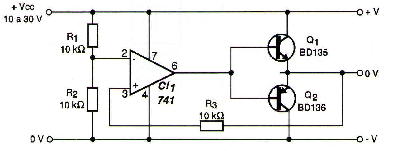
Con el circuito mostrado en la figura 1 es posible convertir una fuente común en una fuente simétrica.
Los transistores son de media potencia de uso general admitiendo una corriente máxima de salida del orden de 500 mA.
La tensión máxima de entrada depende del amplificador operacional. Una entrada de 12 V, por ejemplo, resultará en una fuente simétrica de 6 + 6 V.
Los transistores de potencia deben montarse en radiadores de calor.
En la figura 2 tenemos una sugerencia de placa de circuito impreso.
Esté atento a las terminales de los transistores usados pues existen equivalentes con disposiciones diferentes de las indicadas.

Lista de material
CI-1 - 741 - circuito integrado - amplificador operacional
Q1 - BD135 o equivalente - transistores NPN de media potencia
Q2 - BD136 o equivalente - transistores PNP de media potencia
R1, R2, R3 - 10 k ohms x 1/8 W - resistores (marrón, negro, naranja)
Varios: placa de circuito impreso, radiadores de calor, hilos, soldadura, etc.




