Este diseño diferente utiliza una bobina enrollada en un clavo para generar señales en la faja de audio. Estas señales pueden ser utilizadas en la prueba de circuitos de audio e incluso de RF, dada la existencia de muchos armónicos que se extienden hasta algunas decenas de megaciclos.
El circuito es alimentado por una o dos pilas pequeñas y tiene un ajuste de frecuencia. En la figura 1 tenemos el diagrama completo del oscilador Hartley que se utiliza en este caso.

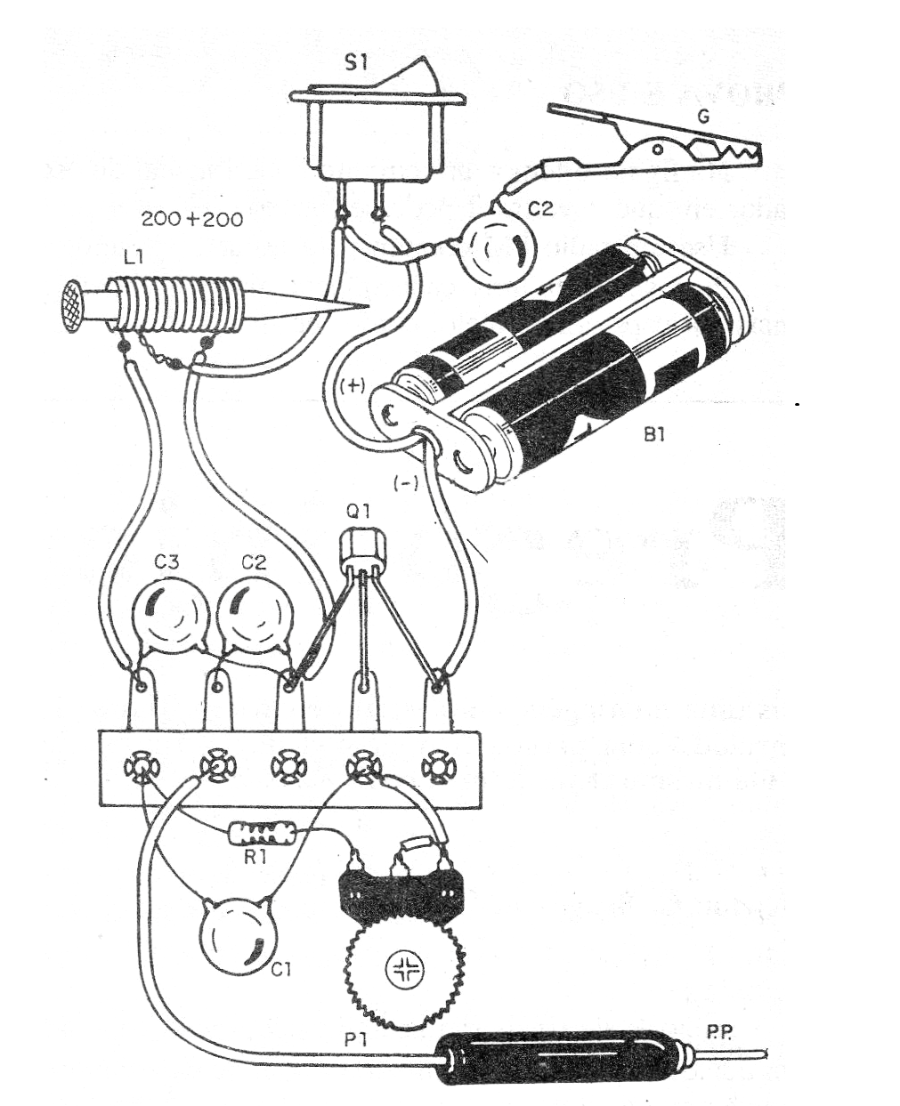
La bobina está formada por 300 a 500 espiras de cable 32 AWG o más fino en un clavo de 5 a 10 cm de longitud. La toma es central, y se debe tener cuidado de desenchufar el hilo en el punto de soldadura. En la figura 2 tenemos el montaje en un puente de terminales.
P1 tanto pueden ser un trimpot como un potenciómetro común y su valor no es crítico pudiendo quedar entre 22 k y 100 k. Este componente ajusta la frecuencia de la señal generada.
Para aplicar la señal en el circuito en prueba, recomendamos el uso de una punta de prueba y una pinza cocodrilo.
Lista de material
Q1 - BC548 o equivalente - transistores NPN de uso general
L1 - Bobina-clavo - ver el texto
P1 - 22 k ohms - trimpot
B1 - 1,5 V o 3 V - 1 o 2 pilas pequeñas
S1 - Interruptor simple
R1 - 2,2 k ohms x 1/8 W - resistor - rojo, rojo, rojo
C1 y C3 - 100 nF - capacitor de cerámica o poliéster
C2 - 10 nF - capacitor de cerámica o poliéster
PP - Punta de prueba
G – Pinza cocodilo
Varios: puente de terminales, clavo, alambre esmaltado, hilos, soldadura, etc.




