Con este circuito simple podemos encender lámparas fluorescentes de 4 a 20 W usando cuatro pilas grandes o una batería de 12 V. También podemos utilizar fuentes alternativas formadas por células solares, dinamos o de otras, siempre que suministran una corriente mínima de orden de 500 mA .
Incluso las lámparas fluorescentes que ya no se encienden más en la red de 110 V o 220 V, por estar débil, se pueden utilizar en este circuito. Sin embargo, dado que el rendimiento del circuito el brillo será menor que en la aplicación normal.
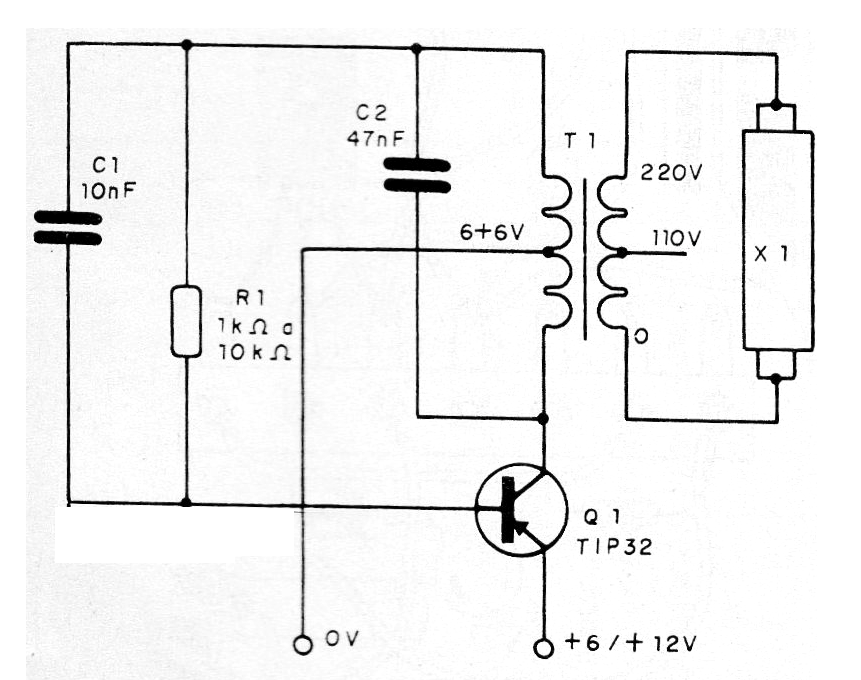
El circuito consiste en un oscilador que opera alrededor de 1 kHz y como la salida no es senoidal, pueden ocurrir picos mayores que 200 V que, fácilmente ionizan el gas mismo de lámparas débiles. En la figura 1 tenemos el circuito completo del variador.
El transformador es del tipo que se encuentra en pequeñas fuentes de alimentación con primario de acuerdo con la red local y secundaria de 5 a 9 V con corriente de 300 a 500 mA. El transistor debe estar dotado de radiador de calor. En la figura 2 tenemos el montaje sobre la base de un puente de terminales.
El capacitor C2 eventualmente debe cambiar para obtener el mejor rendimiento. En serie con R1 podemos conectar un potenciómetro de 10 k (usando R1 = 1k) y así ajustar el circuito pera el mejor rendimiento, conforme el transformador y la lámpara.
Lista de material
Q1- TIP32 - Transistores PNP de potencia
X1- 4 a 20 W - lámpara fluorescente
R1- 1 k ohms a 10 k ohms x 1/8 W - resistor - ver texto
C1 - 10 nF - capacitor de cerámica o poliéster
C2 - 47 nF - capacitor de cerámica o poliéster
T1- Transformador - ver texto
Varios: puente de terminales, hilos, batería o pilas con soporte para alimentación, radiador de calor para el transistor, soldadura, etc.





