Este es un proyecto de utilidad en el hogar, en la tienda o en un jardín. Con él tenemos el encendido automático de una lámpara incandescente (no utilice otro tipo) al anochecer y el apagado al amanecer.
Las lámparas incandescentes hasta 100 W pueden ser controladas y en la condición de espera, es decir, durante el día, el consumo de energía es prácticamente nulo.
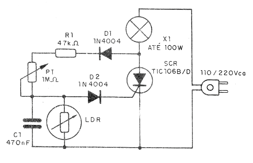
El circuito utiliza como sensor un LDR que, al ser oscurecido, dispara el SCR y con eso tenemos el encendido de la lámpara. En realidad, el SCR utilizado admite lámparas más grandes, pero operando con cierta holgura no necesita un gran radiador de calor.
El LDR debe instalarse de modo que la luz de la lámpara que controla no pueda ser percibida, pues si esto ocurre, el circuito oscilará con la lámpara parpadeante.
El ajuste de la sensibilidad al disparo se realiza a través de un potenciómetro.
En la figura 1 tenemos el circuito completo del aparato que puede operar tanto en la red de 110 V como 220 V.
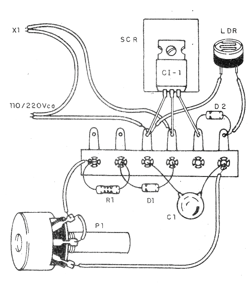
La disposición de los componentes en un puente de terminales se muestra en la figura 2.
El SCR debe tener sufijo B si la red es de 110 V y sufijo D si la red es de 220 V. El capacitor C1 debe tener una tensión de trabajo de 250 V o más y el LDR puede ser de cualquier tipo o tamaño.
Este LDR debe instalarse en un tubo opaco y apuntado al cielo para detectar el oscurecimiento y cuando se aclara. Para probar es sólo conectar el aparato, ir tapando y descubriendo el LDR al mismo tiempo que se ajusta la sensibilidad.
Observamos que el brillo de la lámpara no será máximo cuando se enciende, pues el control del SCR y de media onda.
Lista de material
SCR - TIC106B o D - Diodo controlado de silicio (véase el texto)
D1, D2 - 1N4004 para la red de 110 V o 1N4007 para la red de 220 V-diodos de silicio
R1 - 47k ohms x 1/8 W-resistor - amarillo, violeta, rojo
P1 - 1 M ohms- trimpot o pote
C1- 470 nF -capacitor de poliéster
X1- Lámpara incandescente de 5 a 100 W
Varios:
Puente de terminales, cable de alimentación, radiador para el SCR, caja para montaje, hilos, soldadura, etc.





