Este circuito, bastante simple por señal, sirve para la prueba de capacitores de todo tipo en el rango de 10 nF a 100 uF (más o menos), proporcionando una indicación sonora. Si usted no tiene recursos para probar si sus condensadores son buenos no debe dejar de montar este probador.
La idea básica es muy simple: un oscilador cuya realimentación y, por lo tanto, la frecuencia del sonido que produce es determinada por un capacitor.
Colocamos un buen condensador en el circuito y funciona, haciendo que el altavoz pite o emita chascas (dependiendo del valor). Si el capacitor está mal (abierto o en corto) no hay retroalimentación y el oscilador no funciona.
Como la frecuencia del sonido depende del valor del capacitor, con un poco de entrenamiento y el uso de condensadores de valores conocidos para comparación, podemos descubrir el valor del capacitor probado.
El circuito funciona con tensiones de 3 o 6 V, (dos o cuatro pilas) y es muy sencillo de montar.
Como funciona
Como explicamos, se trata de un oscilador cuya frecuencia es determinada por el capacitor y también por el resistor R1 que controla la polarización del transistor.
Es conveniente que R1 esté en el rango de 100k a 470k si la mayor parte de las pruebas son de capacitores de valores pequeños (10 nF o cerca). Y que esté en el rango de 10k a 56k si los capacitores probados son de más de 1 uF. Una llave se puede añadir para conmutar el resistor.
Los transistores complementarios del oscilador proporcionan buena potencia a la señal de audio aplicada al altavoz. El sonido será tanto más agudo cuanto menor sea el condensador.
Montaje
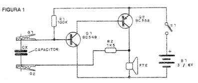
En la figura 1 tenemos el diagrama completo del probador.

En la figura 2 tenemos el montaje en un puente de terminales. Este puente puede instalarse en una caja plástica con hilos con garras para la prueba de los capacitores.
Un interruptor puede ser agregado para encender y apagar el aparato. Los transistores pueden ser de cualquier tipo de uso general NPN o PNP según el caso.
Prueba y uso
Sólo tienes que conectar el aparato y colocar las puntas de prueba en el capacitor en prueba. Cuanto menor sea su valor, más agudo será el sonido emitido, si está bien.
Para los capacitores por encima de 1 uF el sonido será formado por pulsos de intervalos.
Lista de materiales
Q1 - BC548 o equivalente - transistores NPN
Q2 - BC558 o equivalente - transistores PNP
FTE - Altavoz de 8 ohmios
B1 - 3 o 6 V- 2 o 4 pilas pequeñas
R1- 100k ohms - resistor (marrón, negro, amarillo)
R2 - 1k5 ohms - resistor (marrón, verde, rojo)
Varios: puente de terminales, soporte de pilas, garras jacaré, caja para montaje, hilos, soldadura, etc.




