Las pequeñas radios AM y FM tienen una baja calidad de sonido debido a los altavoces que no pueden tener diámetros elevados, que ayudan en la reproducción de los graves o imán pesados. Con un altavoz más grande y un tweeter obtendrá un nuevo sonido para su radio, con refuerzo de los graves y de los agudos.

 

Un altavoz pesado extraído de una radio antigua, más un tweeter y un altavoz le permiten tener una calidad de sonido mucho mejor para su radio de 2 o 4 pilas tanto de AM como FM.

 

Para mejorar aún más el rendimiento de esta caja tenemos controles separados de graves y agudos formados por potenciómetros de hilo.

 

Todos los componentes usados ​​son comunes y no hay ningún secreto en el montaje. El único cuidado que usted debe tener es no alimentar la caja con potencias superiores a 2 W, para no estropear los componentes. Sólo las radios de pila, grabadoras, walkman y otros equipos de baja potencia se pueden conectar en esta caja.

 

La conexión se realiza en la salida de auriculares, observando que el conector es del tipo monofónico (1 canal).

 

 

 

Montaje

 

 

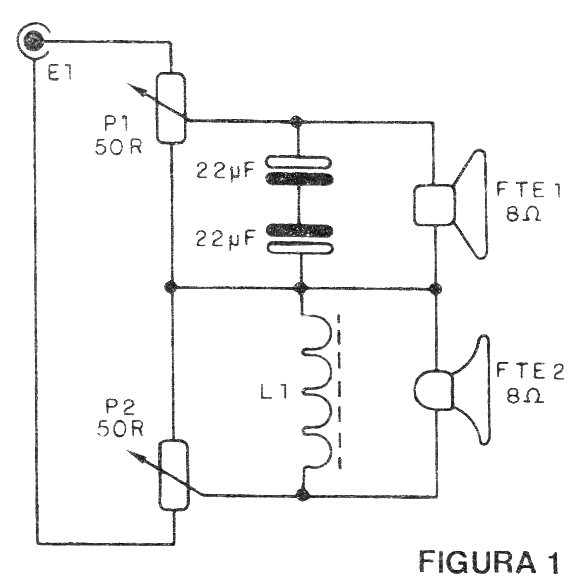
Comenzamos por dar el diagrama del aparato donde el FTE1 es el altavoz mayor de 20 a 30 cm (cuanto mayor, mejor será el sonido), y el FTE2 un tweeter de 8 ohms.

  

 


 

 

 

En la figura 2 tenemos los modos de conexión de los componentes. L1 está formada por 150 a 200 espiras de hilo 28 o 26 en un bastón de ferrita. La clavija de conexión es un enchufe de acuerdo con el jack de auricular del radiador.

 

 


| Clique na imagem para ampliar |

 

 

En la figura 3 tenemos el modo de adaptarse un enchufe estéreo al circuito, si es ese tipo de salida de su radito u otro aparato en el que la caja va a ser usada.

 


 

 

 

Los capacitores C1 y C2 son de 10 a 22 uF x 6 V o más. Los potes P1 y P2 son de 47 ohms o 50 ohms de alambre. No utilice tipos de carbón pues pueden calentar con potencias mayores.

 

 

Lista de materiales

 

P1, P2 - 47 o 50 ohms- potenciómetros de hilo

L1 - Bobina - ver el texto

C1, C2 - 10 a 22 uF - capacitores electrolíticos

FTE1, FTE2 - Altavoz y tweeter de 4 a 8 ohms - ver texto

Varios:

Hilos, soldadura, bastón de ferrita, hilos esmaltados, etc.