Este circuito ayuda a aumentar la intensidad de las señales captadas por una antena antes de que se aplican al receptor. Funciona bien en el rango de frecuencias que va de 200 kHz a 30 MHz, lo que significa que sirve para la banda de ondas y medias y cortas pero no para TV y FM.
El consumo de corriente de este amplificador es extremadamente bajo, lo que significa que la duración de la batería será muy larga. Las señales se aplican a la base del transistor y se retiran de su colector para su aplicación en la entrada de antena del receptor. La conexión a tierra es muy importante.
Las señales de la banda de ondas cortas, en especial, serán bien amplificadas, facilitando así la escucha de estaciones débiles o distantes.
El transistor utilizado es de RF como el BF494 o equivalente.
Montaje
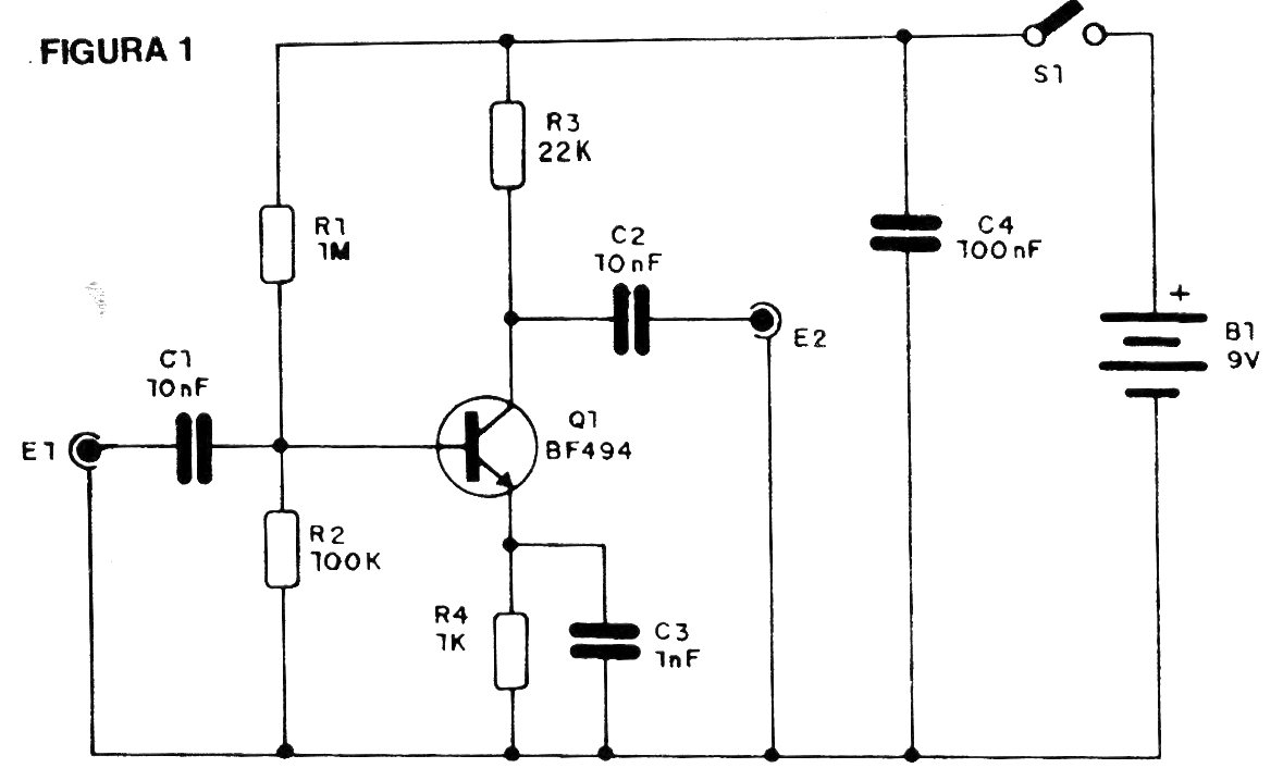
En la figura 1 tenemos el diagrama completo del aparato y en la figura 2 su montaje realizado en un puente de terminales.
El aparato puede instalarse en una caja cerrada para mayor facilidad de uso. Los resistores son de 1/8 o ¼ W y los condensadores son cerámicos.
En la figura 3 tenemos dos modos de hacer la conexión en el receptor.
El primero es para receptores que tienen entrada de antena. En este caso, hacemos una antena de cuadro de irradiación que consiste simplemente en algunas vueltas (2 a 6) de hilo común alrededor del receptor.
La antena externa debe tener al menos 5 metros de longitud y la conexión a tierra es indispensable.
Si al conectar usted no obtiene amplificación, invierta las conexiones del enchufe que va a la antena.
Lista de materiales
Q1 - BF494 o equivalente - transistores NPN de RF
C1, C2 - 10 nF- capacitor cerámico
C3 - 1 nF - capacitor de cerámica
C4 - 100 nF - capacitor de cerámica
R1 - 1 M ohms - resistor (marrón, negro, verde)
R2 - 100 k ohms - resistor (marrón, negro, amarillo)
R3 - 22 k ohms - resistencia (rojo, rojo, naranja)
R3 - 1 k ohms x 1/8 W-resistor (marrón, negro, rojo)
B1 - 9 V - batería
S1 - Interruptor simple
Varios:
Conector de batería, puente de terminales, jack de entrada y salida, caja para montaje, hilos, soldadura, etc.






