Este pequeño transmisor de FM envía sus señales a cualquier radio, receptor o aparato de sonido con sintonizador FM, a una distancia que puede llegar a los 100 metros.
Puede utilizarlo como micrófono volante, en comunicaciones especiales e incluso para escuchar conversaciones.
La señal atraviesa paredes y otros objetos, pero es en campo abierto que se obtiene mayor alcance. El aparato es alimentado por pilas comunes y sólo tiene un ajuste: la frecuencia de operación, de modo que caiga en un punto en que no haya estaciones de transmisión.
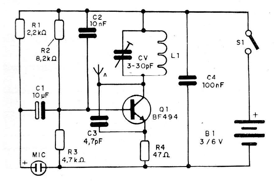
En la figura 1 tenemos el diagrama completo del transmisor.
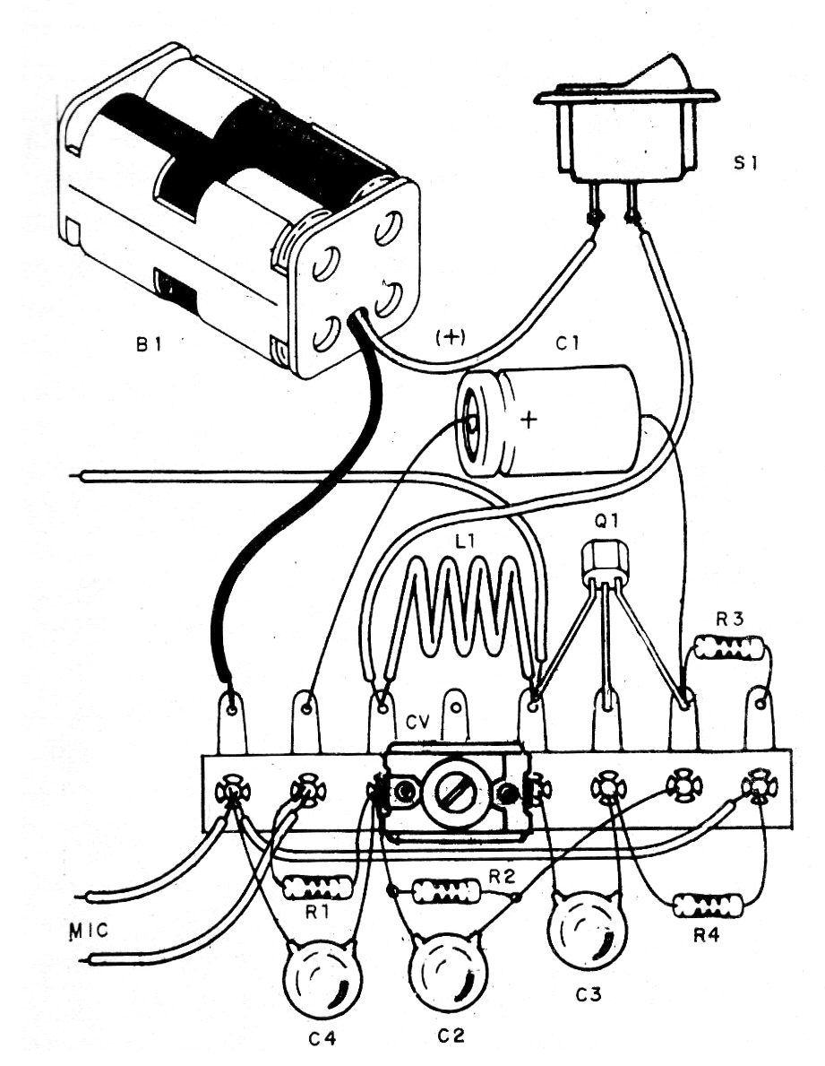
Como se trata de un montaje simple, indicado para los principiantes, el montaje puede ser realizado sobre la base de un puente de terminales, aunque la placa de circuito impreso es ideal. Este montaje se muestra en la figura 2.
La bobina L1 tiene 4 vueltas de alambre esmaltado grueso, enrolladas en un lápiz como referencia. El micrófono es de electreto y su polaridad debe ser observada.
Todos los capacitores son cerámicos, excepto C1 que es un electrolítico para 6 V o más. El trimmer puede ser del tipo más moderno de plástico con 2-20 a 4-40 pF. Los demás componentes son comunes y la antena un pedazo de hilo rígido de 12 a 30 cm de longitud.
Para ajustar va hablando delante del micrófono y ajustando el trimmer hasta que su voz pueda ser escuchada en el receptor (que debe estar fuera de estación).
En los lugares donde hay muchas estaciones operando puede ser más difícil encontrar una frecuencia vaga.
Lista de material
Q1 - BF494 - transistores NPN de RF
R1 - 2,2 k ohms x 1/8 W-resistor - rojo, rojo, rojo
R2 - 8,2 k ohms x 1/8 W - resistor - gris, rojo, rojo
R3 - 4,7k ohms x 1/8 W-resistor - amarillo, violeta, rojo
R4 - 47 ohms x 1/8 W - resistor - amarillo, violeta, negro
C1 - 10 uF - capacitor electrolítico para 6 V o más
C2 - 10 nF- capacitor cerámico
C3 - 4,7 pF-capacitor cerámico
C4 - 100 nF- capacitor cerámico
CV - trimmer 3-30 pF o cerca de eso
L1 - Bobina - ver texto
S1- Interruptor simple
B1 - 3 o 6 V- 2 o 4 pilas pequeñas
MIC-micrófono de electreto de dos terminales
Varios:
Puente de terminales, soporte de pilas, cables, soldadura, caja para montaje, etc.





