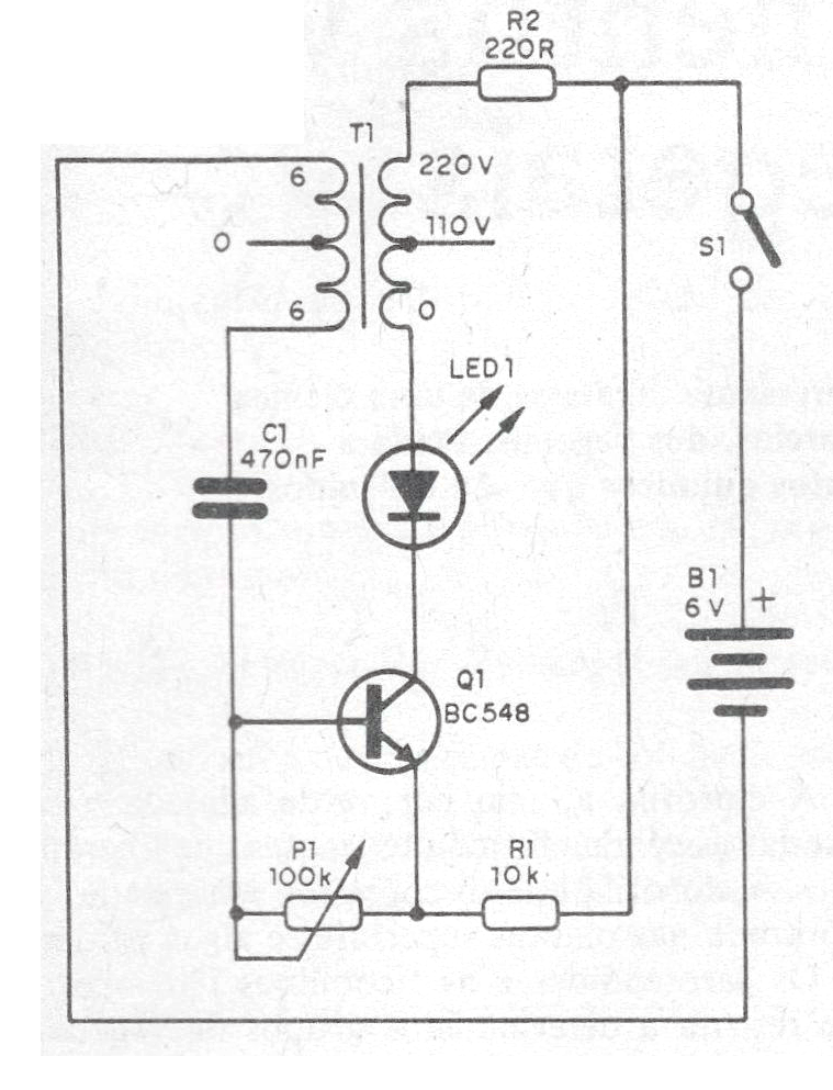
Este es un circuito experimental que permite estudiar el funcionamiento de un oscilador de bloqueo (blocking oscillator). En este circuito, la realimentación de señal se realiza atravesando un transformador de la siguiente forma: cuando la alimentación está conectada, el potenciómetro P1 y el resistor R1 conduce la corriente de polarización de base del transistor, llevándolo cerca de la saturación. De esta forma, aparece un pulso de corriente en el colector, haciendo encender el LED y al mismo tiempo energizar el devanado primario del transformador.
Con ello, aparece en el secundario una tensión inducida que pasa a través de C1 y polariza momentáneamente el transistor para corregirlo. En estas condiciones, por un instante el LED apaga y desaparece la corriente de primario. El circuito vuelve entonces la condición inicial y nuevamente R1 y P1 conduce llevando el transistor cerca de la saturación,
El ciclo continúa indefinidamente, haciendo el circuito oscilar. Con los valores de los componentes indicados la frecuencia puede ajustarse entre 1 y 5 Hz, o 1 a 5 pulsos por segundo. En la figura 1 tenemos el diagrama completo del oscilador.
En la figura 2 tenemos la disposición de los componentes en un puente de terminales.
El transistor puede ser cualquier NPN de uso general y el transformador puede tener secundario de 5 a 12 V con corriente de 50 a 300 mA. Los demás componentes son comunes.
Al terminar el montaje, encienda el aparato. Si no hay oscilación, invierte la conexión de uno de los devanados del transformador. Si desea cambiar la frecuencia, cambie el valor de C1.
Lista de material
Q1 - BC548 - transistores NPN de uso general
LED1 - LED común de cualquier color
T1- Transformador - ver texto
P1- 100 k ohms - potenciómetro
S1 - Interruptor simple
B1- 6 V - 4 pilas o fuente
C1- 470 nF a 1 uF - capacitor de poliéster o electrolítico
R1 - 10 k ohms x 1/8 W-resistor - marrón, negro, naranja
R2 - 220 ohms x 1/8 W-resistor - rojo, rojo, marrón
Varios: soporte de pilas, puente de terminales, hilos, soldadura, etc.





