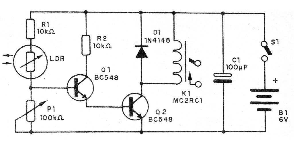
Con este aparato es posible controlar un relé desde el foco de luz de una linterna o incluso la luz ambiente, disparando una alarma o un sistema de advertencia. También es posible utilizar el aparato para conectar un ventilador cuando la luz está encendida. El circuito puede ser alimentado por pilas o fuentes dependiendo de la aplicación.
El sensor es un LDR que, para mayor sensibilidad y directividad, debe instalarse en un tubo con una lente. El ajuste del punto de accionamiento se realiza en P1. La alimentación también se puede hacer con 12 V si se utiliza un relé para esta tensión. Recomendamos el uso de relés Metaltex de 50 mA a 100 mA de corriente de bobina. En la figura 1 tenemos el diagrama completo del mando a distancia.
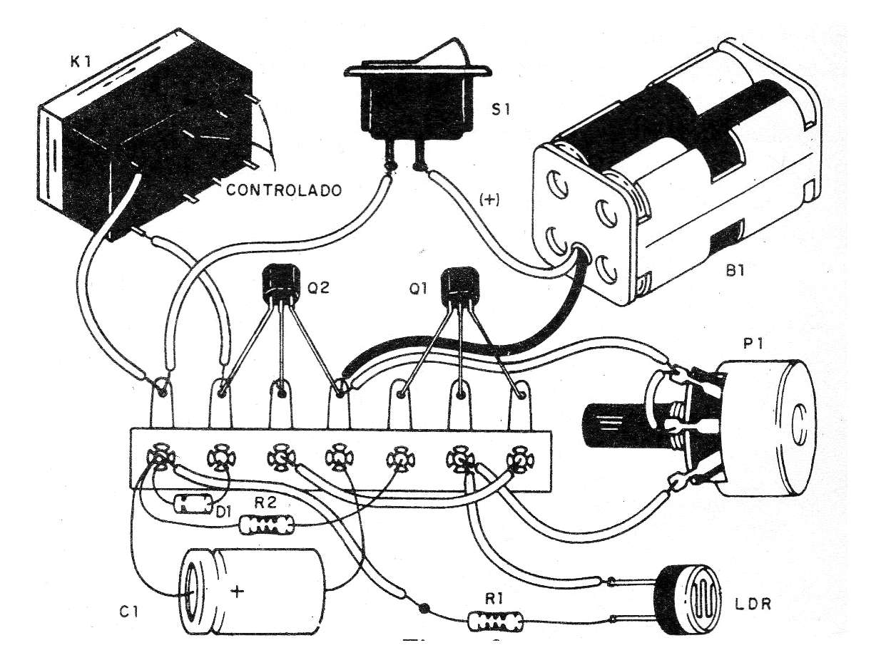
El circuito no tiene traba manteniéndose accionado solamente mientras haya incidencia de luz en el sensor. El montaje se puede realizar en la matriz de contactos, placa de circuito impreso o puente de terminales. La versión utilizando puente de terminales se muestra en la figura 2.
Lista de material
Q1, Q2 - BC548 - transistores NPN de uso general
LDR - LDR redondo común
D1 - 1N4148 - diodo de uso general
P1- 100 k ohms - trimpot o pote
R1, R2- 10 k ohms x 1/8 W - resistor - marrón, negro, naranja
C1- 100 uF x 12 V o más - capacitor electrolítico
S1 - Interruptor simple
B1 - 6 o 9 V- 4 pilas o batería
Varios: placa de circuito impreso o puente de terminales, caja para montaje, soporte de pilas o conector de batería, hilos, soldadura, etc.





