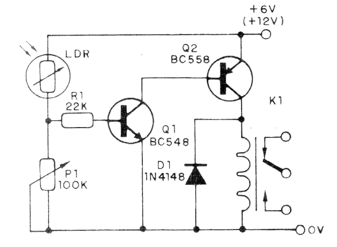
El circuito presentado dispara un relé cuando incide en el sensor, un LDR redondo común. Podemos utilizar este circuito como un control remoto con linterna o como ojos de un robot para seguir la luz.
El circuito funciona con alimentación de 6 V o 12 V, según el relé utilizado. Podemos usar relés sensibles de 6 ó 12 V
.
Los demás componentes usados son comunes y en la condición de espera el consumo del circuito es bajo. Se pueden utilizar pilas si el relé funciona por intervalos de tiempo cortos.
En la figura 1 tenemos el diagrama completo del aparato.
En la figura 2 tenemos el montaje en una placa de circuito impreso. Esta placa cabe en una pequeña caja de plástico.
Lista de materiales:
Q1 - BC548 - transistores NPN de uso general
Q2 - BC558- transistores PNP de uso general
D1 - 1N4148 - diodo de uso general
LDR - LDR redondo común
P1 - 100 k ohms- trimpot o pote
K1 – Relé sensible de 6 ó 12 V
R1 - 22k x 1/8 W - resistor - rojo, rojo, naranja
Varios:
Fuente de alimentación o pilas, placa de circuito impreso, caja para montaje, hilos, soldadura, etc.





