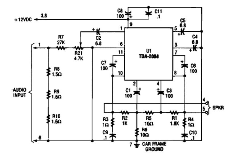
Este amplificador de audio para coche se encontró en un manual de aficionados a la electrónica popular de la década de 1990. El circuito utiliza el TDA2004 para amplificar la salida de radio de los coches de la época.
Con este simple probador podemos probar cables de electrodomésticos, motores, lámparas,...
Este pulsador para un LED, o Flasher, tiene un consumo extremadamente bajo, pudiendo ser...
Las lámparas neón son elementos activos de circuitos que se caracterizan por presentar una región de...