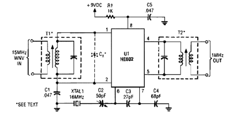
Este convertidor para señales de estaciones de referencia horaria WWV se encontró en Popular Electronics. Las señales de 15 MHz ahora se reciben en una radio de onda media a 1 MHz.
Este circuito es de un Radio Electronics de junio de 1957. Consiste en un excelente radio de...
Este circuito es de una documentación antigua de 1995, pero puede ser montado con facilidad aún hoy por...
Este circuito lo encontramos en una Electronics Now. La indicación del nivel lógico se realiza en un...