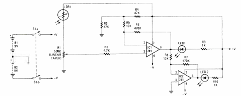
Adecuado para trabajos de fotografía, este circuito es de un Radio Experimenter Special Projects de 1993. El sensor es un LDR y se utilizan dos amplificadores operacionales comunes.
Este circuito es de un Radio Electronics de junio de 1957. Consiste en un excelente radio de...
Este circuito es de una documentación antigua de 1995, pero puede ser montado con facilidad aún hoy por...
Este circuito lo encontramos en una Electronics Now. La indicación del nivel lógico se realiza en un...