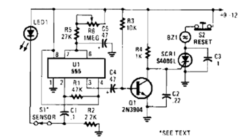
Este circuito basado en el 555 se obtuvo de la Enciclopedia de Circuitos Electrónicos de 1995, volumen 5. Activa un SCR cuando se corta el transistor.
Con este simple probador podemos probar cables de electrodomésticos, motores, lámparas,...
Este pulsador para un LED, o Flasher, tiene un consumo extremadamente bajo, pudiendo ser...
Las lámparas neón son elementos activos de circuitos que se caracterizan por presentar una región de...