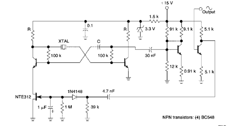
Este circuito oscilador de baja frecuencia se encontró en una Electronic Design de los años 90. Los transistores son comunes y la frecuencia la proporciona el cristal.
Este circuito es de un Radio Electronics de junio de 1957. Consiste en un excelente radio de...
Este circuito es de una documentación antigua de 1995, pero puede ser montado con facilidad aún hoy por...
Este circuito lo encontramos en una Electronics Now. La indicación del nivel lógico se realiza en un...