Esta prueba de cinta de casete es de la década de 1990. Fue encontrado en los Radio Electronics Special Projects de 1993. Se muestra la fuente de alimentación simétrica.
Este circuito es de un Radio Electronics de junio de 1957. Consiste en un excelente radio de...
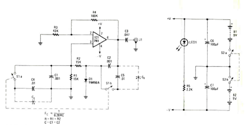
Este circuito es de una documentación antigua de 1995, pero puede ser montado con facilidad aún hoy por...
Este circuito lo encontramos en una Electronics Now. La indicación del nivel lógico se realiza en un...