Encontrado en un Popular Electronics de la década de 1990, este circuito utiliza un pequeño transformador adaptado a la impedancia del altavoz que se activa.
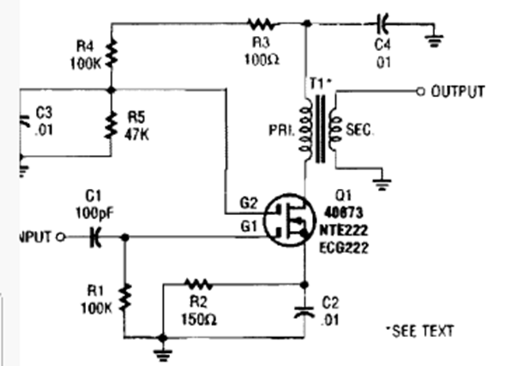
Este circuito fue obtenido en una revista inglesa de 1979. Con un toque en el sensor, una plancha de...
El circuito presentado consiste en un sistema de sensores NA y NF para alarmas. La salida debe...
Este circuito se encontró en una Popular Electronics de junio de 1978. El circuito se entrelaza entre...