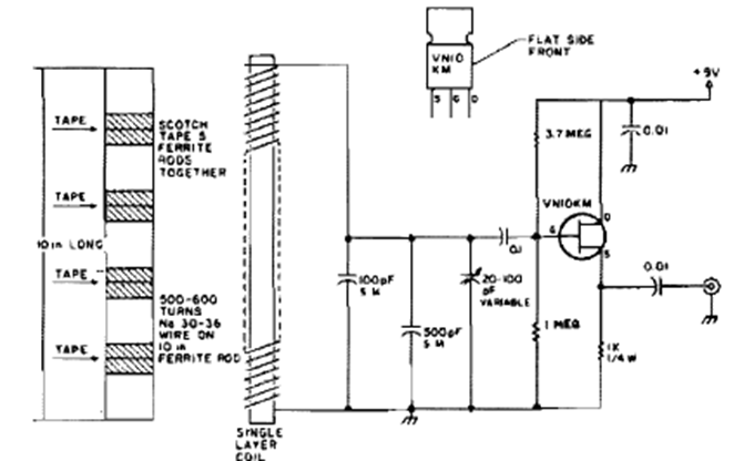
Este circuito para el rango de 60 kHz se encontró en la revista 73 y se publicó en 1995. El circuito utiliza un bastón de ferrita. Observe la dirección de los devanados de la bobina.
Este circuito fue obtenido en una revista inglesa de 1979. Con un toque en el sensor, una plancha de...
El circuito presentado consiste en un sistema de sensores NA y NF para alarmas. La salida debe...
Este circuito se encontró en una Popular Electronics de junio de 1978. El circuito se entrelaza entre...