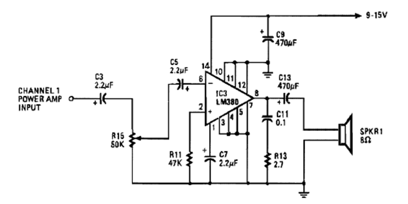
Este es un canal de un amplificador estéreo de pequeña potencia con el LM386 sugerido por la Radio Electrónics Experimenter en la edición de 1981. La potencia es de unos pocos watts.
Este circuito fue obtenido en una publicación de 1976, pero aún puede ser montado, pues todos los...
Este circuito se encontró en la documentación en la década de 1980. Las fórmulas junto al diagrama y...
Este circuito se encontró en una Radio Electrónica de julio de 1984. Es la fuente tradicional de...