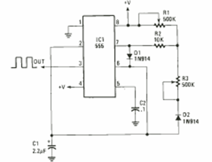
Este oscilador de 60 Hz con dos configuraciones se encontró en los proyectos especiales de Radio Experimenter de 1993. El circuito tiene los rangos de tiempo dados por C1 que se pueden cambiar.
Este circuito fue obtenido en una revista inglesa de 1979. Con un toque en el sensor, una plancha de...
El circuito presentado consiste en un sistema de sensores NA y NF para alarmas. La salida debe...
Este circuito se encontró en una Popular Electronics de junio de 1978. El circuito se entrelaza entre...