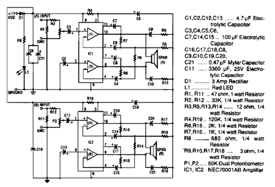
Este amplificador estéreo de 20 W por canal, que utiliza circuitos integrados NEC 70001 AB, se republicó en el PE-Hobbyist Handbook en una edición de la década de 1995. El circuito aparece en varias publicaciones. Esta es de 1995.
Este circuito fue obtenido en una revista inglesa de 1979. Con un toque en el sensor, una plancha de...
El circuito presentado consiste en un sistema de sensores NA y NF para alarmas. La salida debe...
Este circuito se encontró en una Popular Electronics de junio de 1978. El circuito se entrelaza entre...