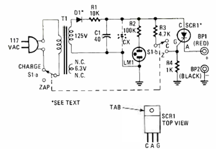
Este cargador de batería se encontró en la Electronics Experimenter Special Projects de 1983. El circuito utiliza un SCR como elemento de control.
Este circuito fue obtenido en una revista inglesa de 1979. Con un toque en el sensor, una plancha de...
El circuito presentado consiste en un sistema de sensores NA y NF para alarmas. La salida debe...
Este circuito se encontró en una Popular Electronics de junio de 1978. El circuito se entrelaza entre...