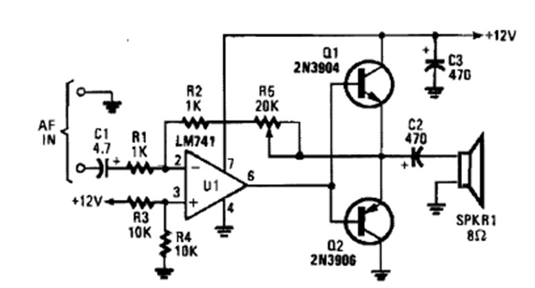
Encontrado en un Popular Electronics de la década de 1990, este circuito utiliza dos transistores para amplificar la potencia de un 741 con señales de audio. La potencia depende de los transistores utilizados, que pueden ser de uso general.
Este circuito fue obtenido en una revista inglesa de 1979. Con un toque en el sensor, una plancha de...
El circuito presentado consiste en un sistema de sensores NA y NF para alarmas. La salida debe...
Este circuito se encontró en una Popular Electronics de junio de 1978. El circuito se entrelaza entre...