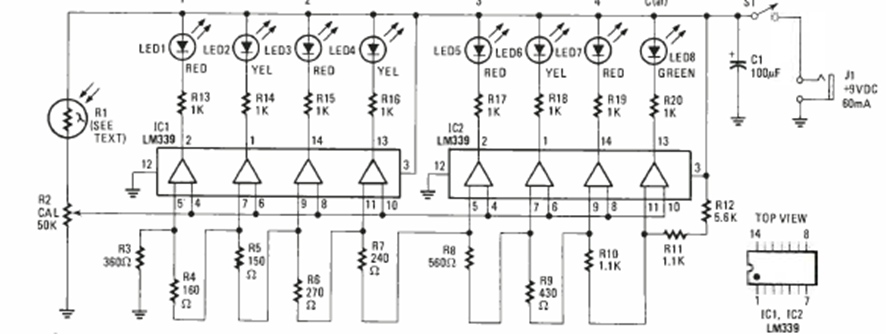
Este circuito para usos fotográficos se encontró en la revista Electronics Experimenter Handbook Special Projects de 1983. El circuito de gráfico de barras alimenta 8 LED.
Este circuito fue obtenido en una revista inglesa de 1979. Con un toque en el sensor, una plancha de...
El circuito presentado consiste en un sistema de sensores NA y NF para alarmas. La salida debe...
Este circuito se encontró en una Popular Electronics de junio de 1978. El circuito se entrelaza entre...