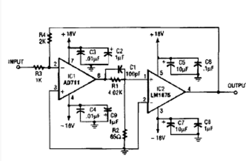
Encontrado en una Electronics Now de la década de 1990, este circuito utiliza un circuito integrado específico de la época que proporciona 10 W con una fuente simétrica de 18 V. El circuito integrado debe estar equipado con un disipador de calor.
Este sencillo circuito indicador de balance o equilibrio para amplificadores estéreo utiliza dos...
Este circuito de electrónica popular de la década de 1980 selecciona tonos alrededor de 60 Hz,...
Lo encontramos en la revista Radio Electronics de junio de 1986. La tensión de referencia se...