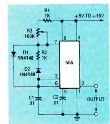
Encontramos este circuito en la edición de octubre de 1992 de la revista Radio Electronics. El ciclo de trabajo puede variar entre el 0 % y el 99 %. La frecuencia viene dada por C1.

Encontramos este circuito en la edición de octubre de 1992 de la revista Radio Electronics. El ciclo de trabajo puede variar entre el 0 % y el 99 %. La frecuencia viene dada por C1.
