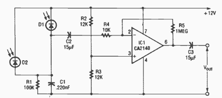
Este circuito sensor de luz infrarroja se encontró en la revista Radio Electronics de julio de 1992. Está sintonizado para luz modulada de 20 kHz.
Hilos, cables, electrodomésticos, lámparas incandescentes, fusibles, llaves y transformadores con...
Este circuito sirve para indicar si la tensión disponible en una red de energía es de 110 V o 220 V....
En muchas aplicaciones donde se necesita un sensor de luz el LDR es el elegido por su sensibilidad y...