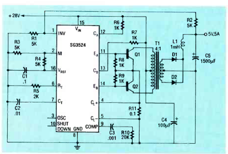
Este circuito utiliza el SQ3524, un circuito integrado de conmutación. El circuito fue encontrado en la edición de abril de 1991 de la revista Radio Electronics.
Hilos, cables, electrodomésticos, lámparas incandescentes, fusibles, llaves y transformadores con...
Este circuito sirve para indicar si la tensión disponible en una red de energía es de 110 V o 220 V....
En muchas aplicaciones donde se necesita un sensor de luz el LDR es el elegido por su sensibilidad y...