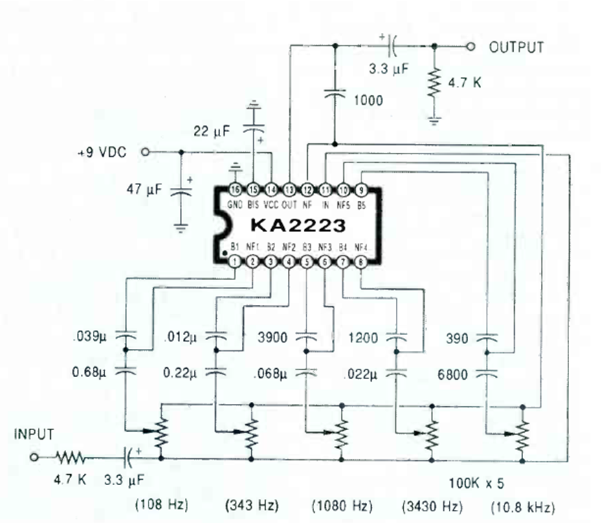
Este circuito fue encontrado en una Radio Electrónica de abril de 1990. El circuito tiene 5 bandas de ecualización dadas por los capacitores utilizados.
Hilos, cables, electrodomésticos, lámparas incandescentes, fusibles, llaves y transformadores con...
Este circuito sirve para indicar si la tensión disponible en una red de energía es de 110 V o 220 V....
En muchas aplicaciones donde se necesita un sensor de luz el LDR es el elegido por su sensibilidad y...