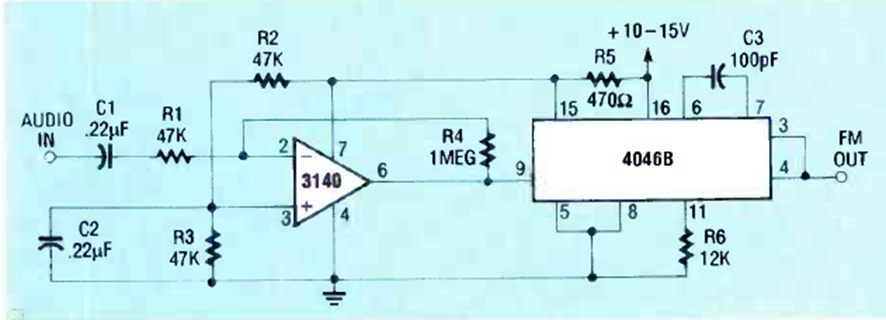
Utilizando un PLL 4046 encontramos este circuito en la edición de diciembre de 1989 de la revista Radio Electronics. El circuito opera a 220 kHz, pero esta frecuencia se puede cambiar modificando C3.
Hilos, cables, electrodomésticos, lámparas incandescentes, fusibles, llaves y transformadores con...
Este circuito sirve para indicar si la tensión disponible en una red de energía es de 110 V o 220 V....
En muchas aplicaciones donde se necesita un sensor de luz el LDR es el elegido por su sensibilidad y...