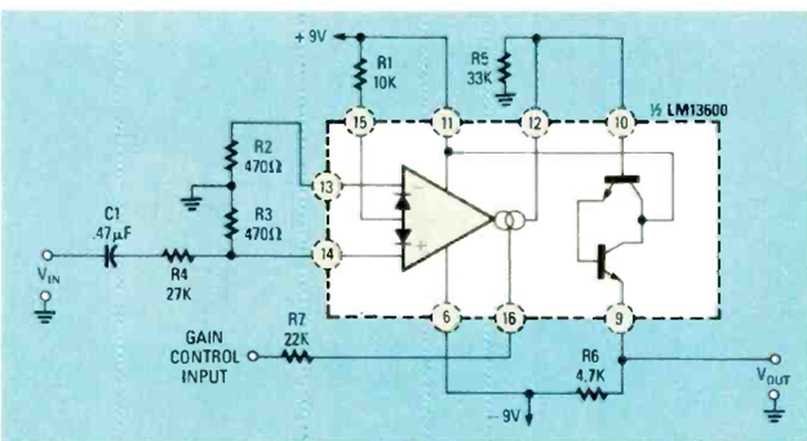
Este VCA se encontró en la revista Radio Electronics de julio de 1988. Utiliza un amplificador operacional OTA y su ganancia se ajusta mediante la tensión en la entrada de ganancia.
Este amplificador utiliza un transistor Darlington cuya ganancia de corriente puede llegar a 10...
Los osciladores por Puente de Wien producen señales senoidales de bajas frecuencias de excelente...
Este circuito utiliza como estándar de frecuencia un filtro cerámico del tipo encontrado en radios de FM,...