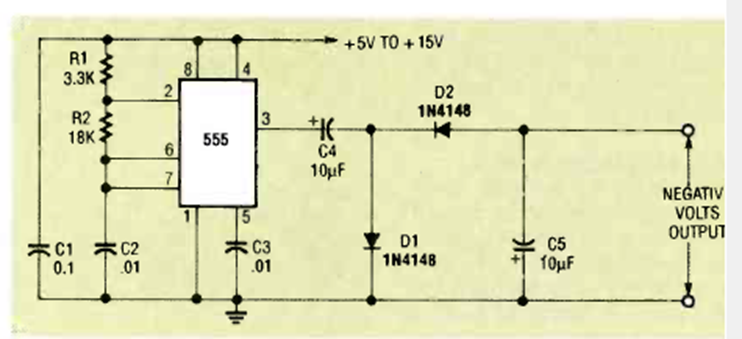
Este circuito inversor de polaridad para voltajes de hasta aproximadamente -12 V se encontró en la revista Radio Electronics de diciembre de 1992. La corriente es de unos pocos mA
.
Este amplificador utiliza un transistor Darlington cuya ganancia de corriente puede llegar a 10...
Los osciladores por Puente de Wien producen señales senoidales de bajas frecuencias de excelente...
Este circuito utiliza como estándar de frecuencia un filtro cerámico del tipo encontrado en radios de FM,...