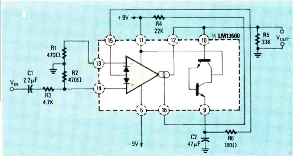
Este circuito de control automático de ganancia se encontró en la edición de julio de 1988 de la revista Radio Electronics. El circuito se basa en un amplificador operacional de transconductancia.
Este circuito aparece con variaciones en otros puntos de esta sección. Esta versión es de una...
Este relé de luz o sobre, según las posiciones del LDR y de P1 es extremadamente sensible, pues utiliza...
En el circuito de la figura tenemos una aplicación de un transistor como oscilador. Para ello,...