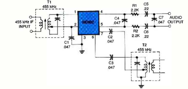
Este circuito con el NE602 fue encontrado en la edición de febrero de 1997 de la revista Electronics Now. El circuito integrado NE602 no es muy común hoy en día.
Si usted es oyente de ondas cortas o simplemente sintoniza alguna estación de ondas medias, pero...
Este es un circuito que le permite conectar un motor de corriente continua a partir de un simple...
Con pocos resistores podemos obtener muchos valores para experiencias, cambiando la manera de hacer...