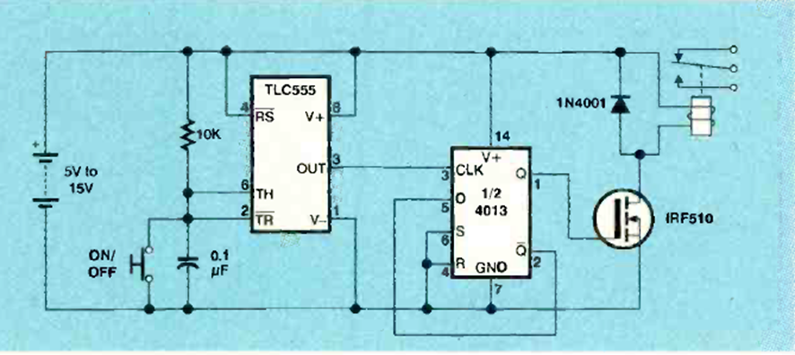
Este circuito biestable que acciona un relé con un pulsador fue encontrado en la edición pp6 del 1 de marzo de la revista Electronics Now. Se puede utilizar un bipolar común con una resistencia de 1k en la base en lugar del FET.
Si usted es oyente de ondas cortas o simplemente sintoniza alguna estación de ondas medias, pero...
Este es un circuito que le permite conectar un motor de corriente continua a partir de un simple...
Con pocos resistores podemos obtener muchos valores para experiencias, cambiando la manera de hacer...