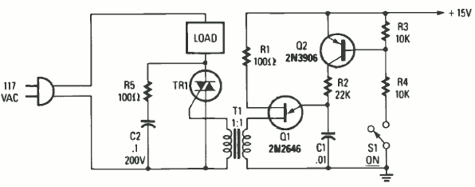
Este circuito triac se encontró en la revista Radio Electronics de octubre de 1987. El triac depende de la carga y debe montarse en un disipador de calor.
Este circuito aparece con variaciones en otros puntos de esta sección. Esta versión es de una...
Este relé de luz o sobre, según las posiciones del LDR y de P1 es extremadamente sensible, pues utiliza...
En el circuito de la figura tenemos una aplicación de un transistor como oscilador. Para ello,...