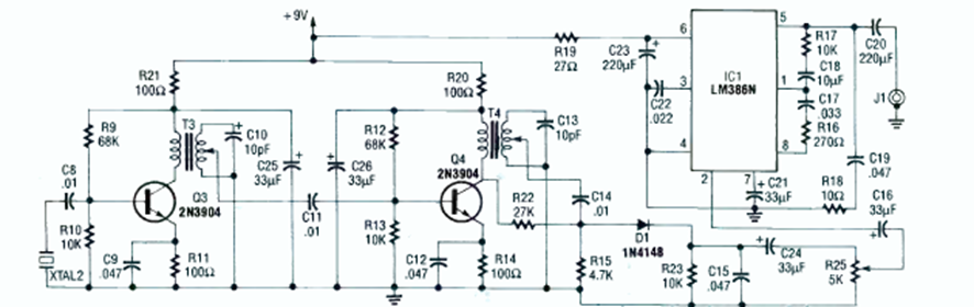
Este es el receptor del circuito anterior que se encontró en la revista Radio Electronics de noviembre de 1991. La frecuencia es de 2,2 MHz, determinada por las bobinas.
Encontramos este circuito en un manual de General Electric de 1965. El circuito se aplica solo a...
Encontrado en la documentación de Motorola de la década de 1960, este circuito de temporización puede durar...
Encontrado en Radio Electronics de los años 90, este circuito produce pulsos para probar un...